제품
제품

엔지니어들이 볼 밸브 시트에 JST BVR 시리즈를 선호하는 이유는 무엇일까요?

엔지니어들이 볼 밸브 시트에 JST BVR 시리즈를 선호하는 이유는 무엇일까요?

  • December 30. 2025

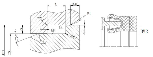
볼 밸브 시트용 단방향 레이디얼 씰에 관해서라면, 고객들은 항상 JST 스타일의 "BVR"을 선호하는데, 그 이유는 무엇일까요?

그 해답은 최적화된 밀봉 형상과 압력 활성화 설계에 있습니다. BVR 시리즈는 경사진 레벨 스프링과 폴리머 재킷으로 구성되어 있으며, 주로 다음과 같은 용도로 사용됩니다. 스템 씰 압력이 가해지면 씰 립이 활성화되어 밸브 시트에 단단히 밀착되므로 고압에서도 탁월한 밀폐성을 보장합니다.

PTFE 화합물이나 충전 폴리머와 같은 적절한 재료를 선택하면, 밀봉재는 고압, 온도 변화 및 부식성 매체와 같은 환경에서도 안정적으로 작동합니다. 석유 및 가스 화학 및 산업 분야에 적용됩니다.

마지막으로, 고객은 간편한 설치와 일관된 성능을 높이 평가합니다. JST 스타일 "BVR"은 정밀한 장착을 위해 설계되어 설치 오류를 최소화하고 다양한 밸브 크기와 작동 조건에서 반복 가능한 밀봉 결과를 보장합니다.

다음은 홈 치수에 대한 기술적 권장 사항입니다.

근무 조건

내경(mm)

G(mm)

외경(mm)

L +0.2 /(mm)

최소 크기 H(mm)

10000psi

-60~180℃

7~15

2.4

9.5

9.5

3.4

15~30

3.1

10

10

5.0

30~90

4.7

12.5

12.5

6

90~600

6.1

16

16

7

600~1200

9.5

28

28

9.5

© 저작권: 2026 Guangzhou JST Seals Technology Co., Ltd. 판권 소유.

粤ICP备12032262号 IPv6 네트워크 지원

IPv6 네트워크 지원

상단

메시지를 남겨주세요

메시지를 남겨주세요

    우리 제품에 관심이 있고 자세한 내용을 알고 싶다면 여기에 메시지를 남겨주세요. 가능한 한 빨리 회신 해 드리겠습니다.

  • #
  • #
  • #